P6005
內容提示:冷水機專用增壓泵

一、產品應用:
1.中、小型激光冷水機
2.美容儀器,醫(yī)療設備
3.LED冷卻,半導體制冷
4.其它需要增壓及循環(huán)制冷的設備
二、產品特征:
1.重 量:0.36KG
2.防護等級:IP68
2.防護等級:IP68
3.絕緣等級:F級
4.使用壽命:20000小時
三、使用條件:
環(huán)境溫度: -25-70℃
介質溫度:0-70℃
介 質:清水
使用場所:室內
四、特點:
1.采用無刷電機,體積小
2.高楊程
3.壽命長
4.低功耗
2.高楊程
3.壽命長
4.低功耗
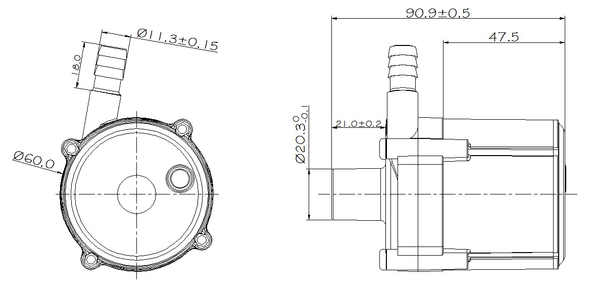
五、尺寸圖丨曲線圖

六、性能參數表:
| 額定電壓 | 使用電壓范圍 | 額定電流 | 最大揚程 | 最大流量 | 額定功率 | 最大噪音 |
| V | V | A | m | L/min | W | dB(A) |
| 12 | 8-20 | 3 | 8 | 17 | 36 | ≤40 |
| 24 | 12-30 | 2.2 | 11 | 20 | 53 | ≤45 |
時間:2024-04-25 來源:深鵬電子有限公司 點擊:次
上一篇:沒有了
下一篇:P4504
下一篇:P4504
